High-resolution linear actuator with DC or stepper motor; DC gear motor; 10 mm travel range; 70 N feed force; 0.8 mm/s maximum velocity; trapezoidal-threaded spindle; incremental rotary encoder, 2048 counts/rev. sensor resolution; limit switches: Hall effect; 0.5 m cable length
M-230 High-Resolution Linear Actuator, DC or Stepper Motor
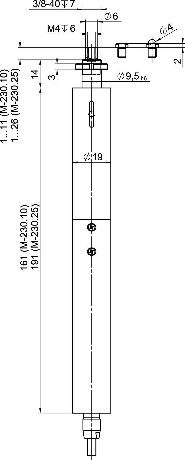
Nonrotating Tip, Limit Switches
- Nonrotating tip: Avoidance of transfer of runout errors on contact point
- Highest precision: Minimal incremental steps of 50 nm, unidirectional repeatability ±0.1 µm
- Direction-sensing reference switch: Reduction of time required for referencing move, possibility of application-dependent referencing to avoid collisions
- Easy to control variants with stepper motor
Overview
Travel ranges 10 mm and 25 mm, minimum incremental motion 0.05 µm, velocity up to 1.2 mm/s, MTBF >20000 h
Precision-class linear drive
High-resolution linear actuator. Position-controlled DC motors with a gearhead and high-resolution rotary encoders allow for incremental motion and repeatability of just 100 nm. Powerful and low-vibration 2-phase stepper motors with gearhead allow for smooth and accurate open-loop positioning.
High-quality components
Extremely low-friction and backlash-free construction. Nonrotating tip for uniform motion prevents wobble, torque, and wear at the point of contact. Incl. flat and spherical tip for decoupling forces. Noncontact limit switches protect the mechanics. Position-controlled variants with differential encoder driver in the connector for safe signal transfer over distances up to 10 m.
Application fields
Precision alignment, motorized alternative for micrometer screws.
Specifications
Specifications
| Motion | M-230.10 | M-230.25 | M-230.10S | M-230.25S | Tolerance |
|---|---|---|---|---|---|
| Active axes | X | X | X | X | |
| Travel range in X | 10 mm | 25 mm | 10 mm | 25 mm | |
| Maximum velocity in X, unloaded | 0.8 mm/s | 0.8 mm/s | 1.2 mm/s | 1.2 mm/s | |
| Positioning | M-230.10 | M-230.25 | M-230.10S | M-230.25S | Tolerance |
| Minimum incremental motion in X | 0.05 µm | 0.05 µm | 0.1 µm | 0.1 µm | typ. |
| Unidirectional repeatability in X | ± 0.1 µm | ± 0.1 µm | ± 0.1 µm | ± 0.1 µm | typ. |
| Backlash in X | 2 µm | 2 µm | 2 µm | 2 µm | typ. |
| Reference switch | Hall effect | Hall effect | Hall effect | Hall effect | |
| Reference switch repeatability | 1 µm | 1 µm | 1 µm | 1 µm | |
| Limit switches | Hall effect | Hall effect | Hall effect | Hall effect | |
| Integrated sensor | Incremental rotary encoder | Incremental rotary encoder | — | — | |
| Sensor resolution | 2048 Cts./rev. | 2048 Cts./rev. | — | — | |
| Drive Properties | M-230.10 | M-230.25 | M-230.10S | M-230.25S | Tolerance |
| Drive type | DC gear motor | DC gear motor | 2-phase stepper motor with gearhead | 2-phase stepper motor with gearhead | |
| Nominal voltage | 12 V | 12 V | — | — | |
| Nominal current, RMS | 0.28 A | 0.28 A | — | — | typ. |
| Peak current, RMS | 0.83 A | 0.83 A | — | — | typ. |
| Peak current, time limit | 3 s | 3 s | — | — | |
| Maximum power consumption | 10.01 W | 10.01 W | — | — | |
| Drive force in X | 70 N | 70 N | 45 N | 45 N | typ. |
| Torque constant | 0.0115 N·m/A | 0.0115 N·m/A | — | — | typ. |
| Resistance phase-phase | 19.8 Ω | 19.8 Ω | — | — | typ. |
| Inductance phase-phase | 0.42 mH | 0.42 mH | — | — | |
| Back EMK, rotational | 1.208 V/kRPM | 1.208 V/kRPM | — | — | max. |
| Number of pole pairs | 1 | 1 | — | — | |
| Operating voltage | — | — | 24 V | 24 V | |
| Motor resolution | — | — | 24 Full steps/rev. | 24 Full steps/rev. | |
| Mechanical Properties | M-230.10 | M-230.25 | M-230.10S | M-230.25S | Tolerance |
| Permissible push force in Y | 30 N | 20 N | 30 N | 20 N | max. |
| Drive screw type | Trapezoidal drive screw | Trapezoidal drive screw | Trapezoidal drive screw | Trapezoidal drive screw | |
| Drive screw pitch | 0.4 mm | 0.4 mm | 0.4 mm | 0.4 mm | |
| Gear ratio i | 42.92063 : 1 | 42.92063 : 1 | 28.44444 : 1 | 28.44444 : 1 | |
| Overall mass | 300 g | 350 g | 300 g | 350 g | |
| Material | Anodized aluminum,·chrome steel, brass | Anodized aluminum,·chrome steel, brass | Anodized aluminum,·chrome steel, brass | Anodized aluminum,·chrome steel, brass | |
| Miscellaneous | M-230.10 | M-230.25 | M-230.10S | M-230.25S | Tolerance |
| Operating temperature range | -20 to 65 °C | -20 to 65 °C | -20 to 65 °C | -20 to 65 °C | |
| Connector | D-sub 15 (m) | D-sub 15 (m) | D-sub 15 (m) | D-sub 15 (m) | |
| Cable length | 0.5 m | 0.5 m | 0.5 m | 0.5 m | |
| Recommended controllers/drivers | C-863.12 C-885 with C-863.20C885 C-884 | C-863.12 C-885 with C-863.20C885 C-884 | C-663.12 C-885 with C-663.12C885 | C-663.12 C-885 with C-663.12C885 |
At PI, technical data is specified at 22 ±3 °C. Unless otherwise stated, the values are for unloaded conditions. Some properties are interdependent. The designation "typ." indicates a statistical average for a property; it does not indicate a guaranteed value for every product supplied. During the final inspection of a product, only selected properties are analyzed, not all. Please note that some product characteristics may deteriorate with increasing operating time.
Downloads
Datasheet
Documentation
Short Instructions MP122EK
Linear Actuators: M-168 / M-22x / M-23x
User Manual MP102
M-230 High-Resolution Linear Actuator
3D Models
M-230 3-D model
Ask for a free quote on quantities required, prices, and lead times or describe your desired modification.
High-resolution linear actuator with DC or stepper motor; DC gear motor; 25 mm travel range; 70 N feed force; 0.8 mm/s maximum velocity; trapezoidal-threaded spindle; incremental rotary encoder, 2048 counts/rev. sensor resolution; limit switches: Hall effect; 0.5 m cable length
High-resolution linear actuator with DC or stepper motor; 2-phase stepper motor with gearhead; 10 mm travel range; 45 N feed force; 1.2 mm/s maximum velocity; trapezoidal-threaded spindle; limit switches: Hall effect; 0.5 m cable length
High-resolution linear actuator with DC or stepper motor; 2-phase stepper motor with gearhead; 25 mm travel range; 45 N feed force; 1.2 mm/s maximum velocity; trapezoidal-threaded spindle; limit switches: Hall effect; 0.5 m cable length
견적 요청 방법
Ask an engineer!
Quickly receive an answer to your question by email or phone from a local PI sales engineer.
Quote / Order
Ask for a free quote on quantities required, prices, and lead times or describe your desired modification.
High-resolution linear actuator with DC or stepper motor; DC gear motor; 10 mm travel range; 70 N feed force; 0.8 mm/s maximum velocity; trapezoidal-threaded spindle; incremental rotary encoder, 2048 counts/rev. sensor resolution; limit switches: Hall effect; 0.5 m cable length
High-resolution linear actuator with DC or stepper motor; DC gear motor; 25 mm travel range; 70 N feed force; 0.8 mm/s maximum velocity; trapezoidal-threaded spindle; incremental rotary encoder, 2048 counts/rev. sensor resolution; limit switches: Hall effect; 0.5 m cable length
High-resolution linear actuator with DC or stepper motor; 2-phase stepper motor with gearhead; 10 mm travel range; 45 N feed force; 1.2 mm/s maximum velocity; trapezoidal-threaded spindle; limit switches: Hall effect; 0.5 m cable length
High-resolution linear actuator with DC or stepper motor; 2-phase stepper motor with gearhead; 25 mm travel range; 45 N feed force; 1.2 mm/s maximum velocity; trapezoidal-threaded spindle; limit switches: Hall effect; 0.5 m cable length
















