Nanometrology Sensors & Signal Conditioners
PI offers the nanometrology capacitive sensor technology that is used in the superior nanopositioning stages also as a component for integration in OEM applications.
Microscopy Stage Accessories
For microscopy applications, a wide range of useful supplements like QuickLock adapters for objective positioners and various inserts are available.
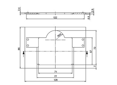
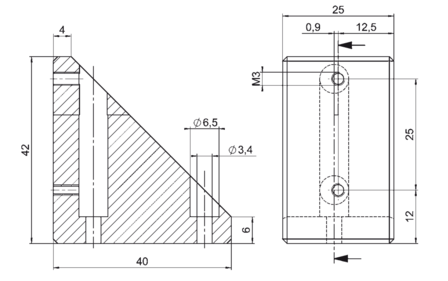
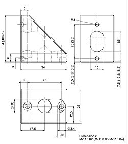
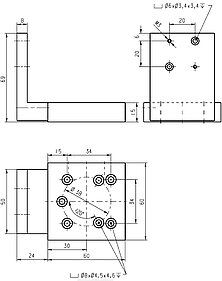
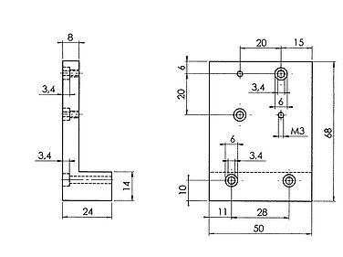
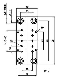
Adapter Brackets
Adapter brackets and plates are standardized for many stages and can be modified on request.
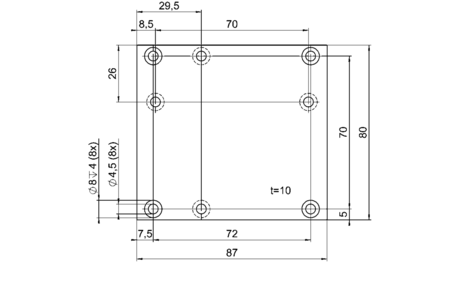
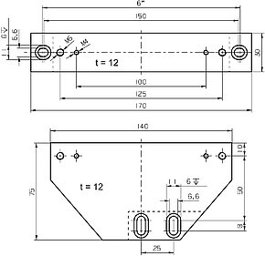
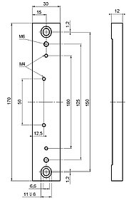
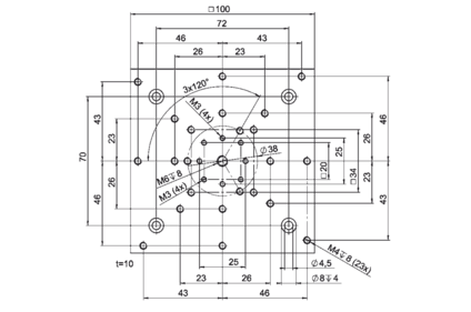
Adapter Plates
Adapter brackets and plates are standardized for many stages and can be modified on request.







































































