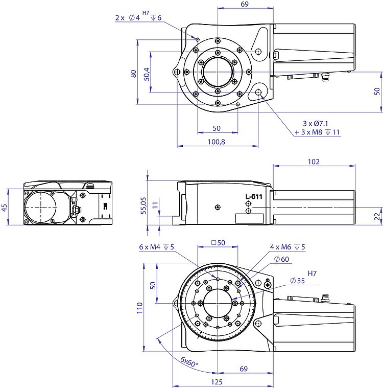
Precision rotation stage; DC motor with ActiveDrive; 360° rotational angle; 100 N load capacity; 200 °/s maximum angular velocity; incremental rotary encoder, 20000 cts./rev. sensor resolution, A/B quadrature, RS-422; 35 mm Ø aperture
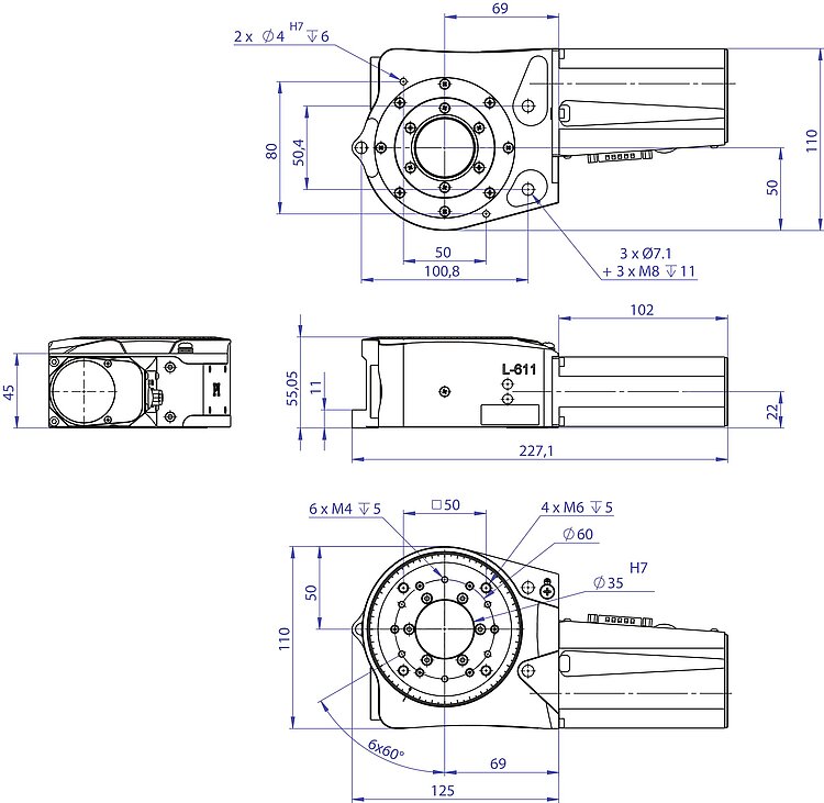
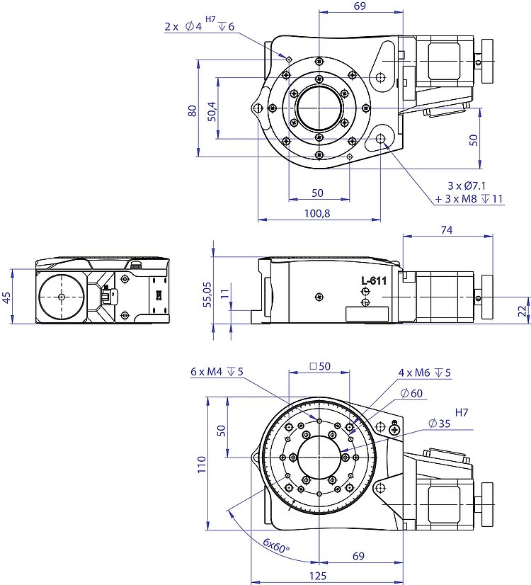
L-611 Precision Rotation Stage
High Run-Out Accuracy
- Unlimited travel range
- Very high resolution
- Maximum velocity 200°/s
- DC, BLDC, and stepper motors
- Direction-sensing reference switch
- Vacuum-compatible variants available
Reference-class rotation stage
High-precision positioning due to low-play preloaded worm gear. Preloaded pivot bearings for high run-out accuracy. Clear aperture with 35 mm Ø. Unlimited travel range in both directions of rotation. Noncontact reference switch. Compact multi-axis positioning systems possible with L-511 linear stages and L-310 Z stages. Vacuum-compatible product variants on request.
Versions
- Low-vibration stepper motor
- DC motor with ActiveDrive
- DC servo motor
- Brushless DC motor
- Additional high-resolution optical angle measuring system, direct measuring
Option: Measurement of the run-out accuracy and positioning accuracy
Individual measurement logs available on request for wobble, axial, and radial creep. Please specify when ordering.
Application fields
Medical industry. Sample inspection. Precision microassembly. Measuring technology. Photonics. Vacuum.
Specifications
Specifications
| Motion | L-611.90AD | L-611.94AD | L-611.993232 | L-611.993261 | L-611.995232 | L-611.9ASD | L-611.90SD | Tolerance |
|---|---|---|---|---|---|---|---|---|
| Active axes | θZ | θZ | θZ | θZ | θZ | θZ | θZ | |
| Rotation range in θZ | 360 ° | 360 ° | 360 ° | 360 ° | 360 ° | 360 ° | 360 ° | |
| Maximum angular velocity in θZ, unloaded | 200 °/s | 200 °/s | 200 °/s | 200 °/s | 200 °/s | 50 °/s | 50 °/s | |
| Radial error in X | ± 2.5 µm | ± 2.5 µm | ± 2.5 µm | ± 2.5 µm | ± 2.5 µm | ± 2.5 µm | ± 2.5 µm | typ. |
| Axial error | ± 1 µm | ± 1 µm | ± 1 µm | ± 1 µm | ± 1 µm | ± 1 µm | ± 1 µm | typ. |
| Tilt error around X (wobble) | ± 15 µrad | ± 15 µrad | ± 15 µrad | ± 15 µrad | ± 15 µrad | ± 15 µrad | ± 15 µrad | typ. |
| Positioning | L-611.90AD | L-611.94AD | L-611.993232 | L-611.993261 | L-611.995232 | L-611.9ASD | L-611.90SD | Tolerance |
| Minimum incremental motion in θZ | 35 µrad | 17.45 µrad | 35 µrad | 3.5 µrad | 35 µrad | 0.87 µrad | 20 µrad | typ. |
| Unidirectional repeatability in θZ | ± 17.5 µrad | ± 8.725 µrad | ± 17.5 µrad | ± 1.75 µrad | ± 17.5 µrad | ± 0.435 µrad | ± 10 µrad | typ. |
| Bidirectional repeatability in θZ | 350 µrad | 34.9 µrad | 350 µrad | 7 µrad | 350 µrad | 7 µrad | 350 µrad | typ. |
| Reference switch | Hall effect, N/C contact, 5 V, TTL | Hall effect, N/C contact, 5 V, TTL | Hall effect, N/C contact, 5 V, TTL | Hall effect, N/C contact, 5 V, NPN | Hall effect, N/C contact, 5 V, TTL | Hall effect, N/C contact, 5 V, NPN | Hall effect, N/C contact, 5 V, NPN | |
| Reference switch repeatability, rotational | 2 µrad | 2 µrad | 2 µrad | 2 µrad | 2 µrad | 2 µrad | 2 µrad | |
| Integrated sensor | Incremental rotary encoder | Incremental angle-measuring system | Incremental rotary encoder | Incremental angle-measuring system | Incremental rotary encoder | Incremental angle-measuring system | — | |
| Sensor signal | A/B quadrature, RS-422 | A/B quadrature, RS-422 | A/B quadrature, RS-422 | Sin/cos, 1 V peak-to-peak | A/B quadrature, RS-422 | Sin/cos, 1 V peak-to-peak | — | |
| Sensor signal periods/U | — | 9000 | — | 9000 | — | 9000 | — | |
| Sensor resolution | 20000 Cts./rev. | — | 20000 Cts./rev. | — | 20000 Cts./rev. | — | — | |
| Drive properties | L-611.90AD | L-611.94AD | L-611.993232 | L-611.993261 | L-611.995232 | L-611.9ASD | L-611.90SD | Tolerance |
| Drive type | DC motor with ActiveDrive | DC motor with ActiveDrive | DC motor | DC motor | Brushless DC motor | 2-phase stepper motor | 2-phase stepper motor | |
| Operating voltage | 24 V | 24 V | 24 V | 24 V | 24 V | 24 V | 24 V | |
| Nominal current, RMS | — | — | 3.3 A | 3.3 A | 2.42 A | 1.2 A | 1.2 A | typ. |
| Maximum power consumption | 40 W | 40 W | 90 W | 90 W | 85 W | 10 W | 10 W | |
| Motor resolution | — | — | — | — | — | 200 Full steps/rev. | 200 Full steps/rev. | |
| Torque constant | — | — | — | — | 0.031 N·m/A | — | — | typ. |
| Resistance phase-phase | — | — | 5.84 Ω | 5.84 Ω | 0.4 Ω | 3.3 Ω | 3.3 Ω | typ. |
| Inductance phase-phase | — | — | 0.56 mH | 0.56 mH | 0.32 mH | 2.8 mH | 2.8 mH | |
| Back EMF, phase-phase, rotational | — | — | — | — | 3.3 V/kRPM | — | — | max. |
| Number of pole pairs | — | — | — | — | 7 | — | — | |
| Mechanical properties | L-611.90AD | L-611.94AD | L-611.993232 | L-611.993261 | L-611.995232 | L-611.9ASD | L-611.90SD | Tolerance |
| Permissible push force in X | 50 N | 50 N | 50 N | 50 N | 50 N | 50 N | 50 N | max. |
| Permissible push force in Y | 50 N | 50 N | 50 N | 50 N | 50 N | 50 N | 50 N | max. |
| Permissible push force in Z | 100 N | 100 N | 100 N | 100 N | 100 N | 100 N | 100 N | max. |
| Permissible pull force in X | 50 N | 50 N | 50 N | 50 N | 50 N | 50 N | 50 N | max. |
| Permissible pull force in Y | 50 N | 50 N | 50 N | 50 N | 50 N | 50 N | 50 N | max. |
| Permissible pull force in Z | 100 N | 100 N | 100 N | 100 N | 100 N | 100 N | 100 N | max. |
| Permissible torque in θX | 40 N·m | 40 N·m | 40 N·m | 40 N·m | 40 N·m | 40 N·m | 40 N·m | max. |
| Permissible torque in θY | 40 N·m | 40 N·m | 40 N·m | 40 N·m | 40 N·m | 40 N·m | 40 N·m | max. |
| Permissible torque in θZ | 3 N·m | 3 N·m | 3 N·m | 3 N·m | 3 N·m | 3 N·m | 3 N·m | max. |
| Moment of inertia in θZ, unloaded | 770 kg·mm² | 770 kg·mm² | 770 kg·mm² | 770 kg·mm² | 770 kg·mm² | 770 kg·mm² | 770 kg·mm² | ±20 % |
| Moved mass in θZ, unloaded | 1100 g | 1100 g | 1100 g | 1100 g | 1100 g | 1100 g | 1100 g | |
| Worm gear reduction | 90 : 1 | 90 : 1 | 90 : 1 | 90 : 1 | 90 : 1 | 90 : 1 | 90 : 1 | |
| Bearing type | Ball bearings | Ball bearings | Ball bearings | Ball bearings | Ball bearings | Ball bearings | Ball bearings | |
| Overall mass | 2600 g | 2600 g | 2600 g | 2600 g | 2600 g | 2600 g | 2600 g | |
| Material | Aluminum, anodized; stainless steel; red bronze | Aluminum, anodized; stainless steel; red bronze | Aluminum, anodized; stainless steel; red bronze | Aluminum, anodized; stainless steel; red bronze | Aluminum, anodized; stainless steel; red bronze | Aluminum, anodized; stainless steel; red bronze | Aluminum, anodized; stainless steel; red bronze | |
| Miscellaneous | L-611.90AD | L-611.94AD | L-611.993232 | L-611.993261 | L-611.995232 | L-611.9ASD | L-611.90SD | Tolerance |
| Operating temperature range | 5 to 40 °C | 5 to 40 °C | 5 to 40 °C | 5 to 40 °C | 5 to 40 °C | 5 to 40 °C | 5 to 40 °C | |
| Connector | D-sub 15 (m) | D-sub 15 (m) | HD D-sub 26 (m) | HD D-sub 26 (m) | HD D-sub 26 (m) | HD D-sub 26 (m) | HD D-sub 26 (m) | |
| Sensor connector | — | — | — | D-sub 9 (m) | — | D-sub 9 (m) | — | |
| Connector for supply voltage | M8 4-pole (m) | M8 4-pole (m) | — | — | — | — | — | |
| Recommended controllers/drivers | C-863.12 C-885 with C-863.20C885 C-884 | C-863.12 C-885 with C-863.20C885 C-884 | C-863.12 C-885 with C-863.20C885 C-884 ACS modular controller | C-863.12 C-885 with C-863.20C885 C-884 ACS modular controller | C-891.130300 C-885 with C-891.11C885 ACS modular controller | C-663.12 C-885 with C-663.12C885 ACS modular controller | C-663.12 C-885 with C-663.12C885 ACS modular controller |
At PI, technical data is specified at 22 ±3 °C. Unless otherwise stated, the values are for unloaded conditions. Some properties are interdependent. The designation "typ." indicates a statistical average for a property; it does not indicate a guaranteed value for every product supplied. During the final inspection of a product, only selected properties are analyzed, not all. Please note that some product characteristics may deteriorate with increasing operating time.
Downloads
Product Note
Product Change Notification Motor Driven Products
Datasheet
Documentation
User Manual MP154
L-611 Precision Rotation Stage
3D Models
L-611 3-D model
Ask for a free quote on quantities required, prices, and lead times or describe your desired modification.
Precision rotation stage; DC motor with ActiveDrive; 360° rotational angle; 100 N load capacity; 200 °/s maximum angular velocity; incremental angle measuring system, A/B quadrature, RS-422; 35 mm Ø aperture
Precision rotation stage; DC motor; 360° rotational angle; 100 N load capacity; 200 °/s maximum angular velocity; incremental rotary encoder, 20000 cts./rev. sensor resolution, A/B quadrature, RS-422; 35 mm Ø aperture
Precision rotation stage; DC motor; 360° rotational angle; 100 N load capacity; 200 °/s maximum angular velocity; incremental angle measuring system, sin/cos, 1 V peak-peak; 35 mm Ø aperture
Precision rotation stage; brushless DC motor; 360° rotational angle; 100 N load capacity; 200 °/s maximum angular velocity; incremental rotary encoder, 20000 cts./rev. sensor resolution, A/B quadrature, RS-422; 35 mm Ø aperture
Precision rotation stage; 2-phase stepper motor; 360° rotational angle; 100 N load capacity; 50 °/s maximum angular velocity; incremental angle measuring system, sin/cos, 1 V peak-peak; 35 mm Ø aperture
Precision rotation stage; 2-phase stepper motor; 360° rotational angle; 100 N load capacity; 50 °/s maximum angular velocity; 35 mm Ø aperture




























