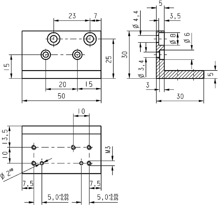
M-009.20 Mounting Bracket

For Mounting P-280 PZT Block Actuators or F-010 Fiber Holders

  • On vertically mounted M-105 / M-106 stages
M-009.20 Mounting Bracket
제품 설명 다운로드 견적 / 주문

Downloads

Datasheet

Datasheet

Datasheet M-009.20

버전 / 날짜
2015-04-13
pdf - 677 KB
버전 / 날짜
2015-04-13
pdf - 676 KB

Quote / Order

Ask for a free quote on quantities required, prices, and lead times or describe your desired modification.

견적 요청 방법

견적/주문하기 클릭
견적 리스트에 원하는 제품 추가
견적 양식 작성
PI에 가격 요청 전송
빠르게 연락드리겠습니다

Ask an engineer!

Quickly receive an answer to your question by email or phone from a local PI sales engineer.

Compatible Products