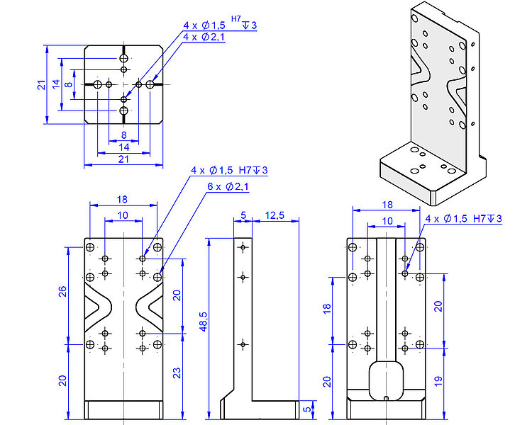
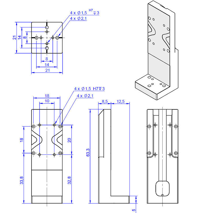
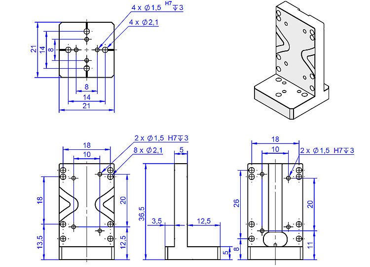
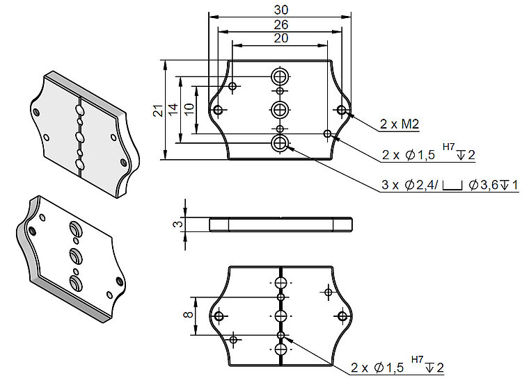
Q-121 Adapter Brackets and Adapter Plate

For Mounting Q-521 Miniature Linear Stages

  • For setup of multi-axis systems
  • For vertical and XY mounting
  • For travel ranges of 12, 22, and 32 mm
Q-121 Adapter Brackets and Adapter Plate
제품 설명 다운로드 견적 / 주문

Downloads

Datasheet

Datasheet

Datasheet Q-121.xxx

버전 / 날짜
2018-03-23
pdf - 1,004 KB
버전 / 날짜
2018-03-23
pdf - 1,000 KB

3D Models

3D Models

Q-121.xxx 3-D model

zip - 289 KB

Quote / Order

Ask for a free quote on quantities required, prices, and lead times or describe your desired modification.

견적 요청 방법

견적/주문하기 클릭
견적 리스트에 원하는 제품 추가
견적 양식 작성
PI에 가격 요청 전송
빠르게 연락드리겠습니다

Ask an engineer!

Quickly receive an answer to your question by email or phone from a local PI sales engineer.

Compatible Products